喇叭配件
        接线盒
           圆形接线盒
           方形接线盒
        接线柱
        按键开关
        香蕉插头
        RCA 插头
        回音孔
        脚钉
        喇叭附件
        低音喇叭配件
        壁式接线端子
 
汽车音响配件
        保险丝座
           AGU保险丝座
           MAXI保险丝座
           ANL保险丝座
           电瓶夹子
           电流分配器
           电流接线端子
           保险丝和断路器
        接线端子
           O型接线端子
           U型接线端子
        电源线
        喇叭线
        RCA 连接线
        套装线
           0号套装线
           2号套装线
           4号套装线
           6号套装线
           8号套装线
           10号套装线
 
支架
        喇叭支架
 
吸盘
        吸盘
 
音响
        音响
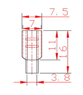
 U型接线端子HD-1-6.3P
 产品说明

A:3.8 B:16 C:7.5 D:11 E:7
 外形尺寸图:
 
版权所有 宁波市海曙华达音响设备厂
copyright © 2003-2004